提供客戶除了 MDBT50Q-RX(USB-A 接收器) 的選擇。
MDBT50Q-CX 除了擁有更小的尺寸、備有Type-C接頭外,更內建了open bootloader,讓開發者能夠透過簡單的DFU 程序,完成韌體的升級。
如果您有使用MDBT50Q-RX進行開發的經驗,這篇使用說明將讓您了解: 新一代的MDBT50Q-CX為您大幅簡化了韌體開發&燒錄的程序,給您全新且更有效率的體驗!
當您使用MDBT50Q-CX進行燒錄時,您不需要事先在裸板上接線;(MDBT50Q-RX需要手動接線)
把USB插進您的裝置(電腦), 就可以啟動 USB DFU。
MDBT50Q-CX (USB-C 接收器, 使用 Nordic nRF52840/nRF52833): 產品連結

尺寸: 15.10 x32.85mm (0.59x1.29inches)
說明書目錄
A. 硬體介紹
B. 軟體開發環境架設
C. 將軟體燒錄至MDBT50Q-CX - 以NCS (nRF Connect SDK) 和 NRF5 SDK為例
D. 用MDBT50Q-CX執行 DFU (Device Firmware Update)
A. 硬體介紹

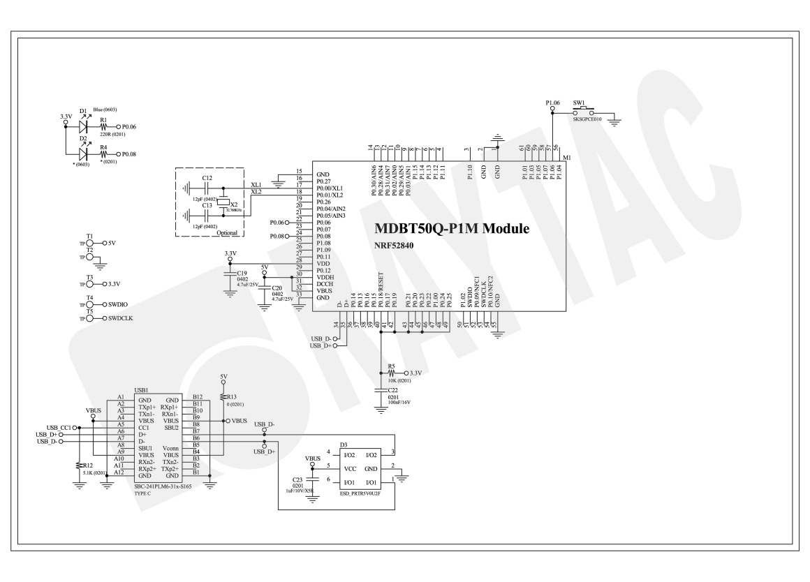
<線路圖> (請點擊圖片 – 產品頁面含高畫質線路圖)
B. 軟體開發環境架設
您可以選擇使用: NCS(nRF Connect)或nRF5 SDK進行開發。
選項1. NCS (nRF Connect for Desktop)
(1) 下載並安裝 nRF Connect for Desktop:

(2) 安裝 Toolchain Manager 和 Programmer

(3) 安裝 nRF Connect SDK (NCS) → 建議使用2.6.0版

選項2. nRF5 SDK
(1) 下載並安裝 nRF5 SDK → 建議安裝最新的 17.1.0版

(2) 安裝 Segger Embedded Studio v5.42a (建議)
https://www.segger.com/downloads/embedded-studio/

※若需要 v5.42a 程式,請洽勁達團隊:service@raytac.com
C. 將軟體燒錄至MDBT50Q-CX - 以NCS (nRF Connect SDK) 和 NRF5 SDK為例
此部分的demo會使用以下兩組範例 code:
C1. NCS (nRF Connect SDK):
範例 code 位址: \v2.6.0\nrf\samples\bluetooth\peripheral_uart
C2. nRF5 SDK:
範例 code 位址: \nRF5_SDK_17.1.0_ddde560\examples\peripheral\usbd_ble_uart
C1. NCS (nRF Connect SDK): (版本: V2.6.0)
步驟 C1-1. 點擊"+Add build configuration" → 板子(Board)名稱使用:nrf52840dongle_nrf52840

步驟 C1-2. 在prj.conf 檔內加上以下指令以解除 DCDC & DCDCHV
CONFIG_BOARD_ENABLE_DCDC=n
CONFIG_BOARD_ENABLE_DCDC_HV=n

步驟 C1-3. 在 board.c 檔內把VDD power supply(工作電壓)調至3.0 或 3.3伏特
如果板子名稱是: nrf52840dongle_nrf52840,預設的VDD會為3.0V。
您就不需要再修改VDD。

步驟 C1-4. 點擊rebuild鍵以重新編譯program

步驟 C1-5. 您的program將會被自動儲存至以下位址:
C:\ncs\v2.6.0\nrf\samples\bluetooth\peripheral_uart\build\zephyr\zephyr.hex
C2. nRF5 SDK:
步驟C2-1. 從以下位址打開程式檔:
\nRF5_SDK_17.1.0_ddde560\examples\peripheral\usbd_ble_uart\pca10056\s140\ses\ usbd_ble_uart_pca10056_s140.emProject
步驟C2-2. 把VDD power supply(工作電壓)調至3.0 或 3.3伏特

步驟C2-3. 點Project右鍵 → 進入"Open Solution in Editor" → 開始編輯

把板子名稱從 PCA10056(nRF52840-DK) 改成 PCA10059(nRF52840 dongle)以利日後編譯。
修改後,儲存並重新編譯program。

以右鍵點擊程式名稱 → 儲存project。

系統會詢問是否要更改project → 點擊 “是”。

sdk_config.h 預設的code是: NRF_LOG_BACKEND_UART_ENABLED 1 (下圖紅框);
需要將參數從 1 改為 0 才可以讓LED燈正常運作。

從"Build"列表選擇"Rebuild Solution" → 以確認儲存所有您修改過的參數。

步驟C2-4. Project會被儲存在以下路徑:
V:\nRF5_SDK_17.1.0_ddde560\examples\ble_peripheral\ble_app_uart\pca10056\s140\ses\Output\Release\Exe\ble_app_uart_pca10056_s140.hex
D. 用MDBT50Q-CX執行 DFU (Device Firmware Update)
注意須知:
MDBT50Q-CX已內建Open Bootloader,故燒錄韌體時不需再加入bootloader,即可進行DFU。
如果您需要使用自己的bootloader,您需要把機構拆開,將裸板接線,才可手動移除bootloader。
步驟D1. 如何啟用 DFU?
(1) 按住MDBT50Q-CX上的按鈕

